Reklama

Zapraszamy do polubienia naszego nowego fanpage na Facebook'u.

[TDI VP] Podgrzewanie silnika, ktoś ma coś takiego?? Pomocy?

Wszystko co dotyczy silnika, przeniesienia napędu, modyfikacji, ...

Moderatorzy: Moderator LC Team, Moderator Junior

[TDI VP] Podgrzewanie silnika, ktoś ma coś takiego?? Pomocy?

Postprzez Pycz » 8 grudnia 2008, 15:55

Witam.

Posiadam Seata Leona TDI 2001/02. Na zderzaku przednim na dole mam wtyczke (zdj). Paru mechaników stwierdziło że jest to postojowe podgrzewanie silnika ale nie wiedzą jak sie do tego zabrać :/ NA klepce od wtyczki jest napis "Calix" nie wiem czy to nazwa producenta wtyczki czy tej instalacji.


Obrazek



Pod maską wygląda to tak.

Obrazek


Przy silniku mam zamontowane 3 świece żarowe "1, nie ma na nich napięcia podczas normalnej pracy silnika(sprawdzałem). Natomiast na dole komory silnika po prawej stronie na wężu od chłodnicy są popodpinane przewody 2 które idą od wtyczki.


Spotkał sie ktoś z czymś takim ?? Jeśli to podgrzewanie silnika to pod jakie napięcie to podpiąć ??
Zobacz Profil
Pycz
Stella
Stella
 
Posty: 5
Dołączył(a): 27 października 2008, 23:29
Lokalizacja: Oświęcim
Auto: Seat Leon

Reklama

Re: [TDI VP] Podgrzewanie silnika, ktoś ma coś takiego?? Pomocy?

Postprzez Axee » 8 grudnia 2008, 16:24

Pycz, to co masz przy kolektorze wodnym to sa 3 swiece dogrzewajace, w niektorych wersjach silnika wystepowaly jako wyposazenie dodatkowe. Ja mam takie swiece u siebie, ale sterowanie ich odbywa sie automatycznie przez jednostke sterujaca silnikiem. Nie mam zadnych kombinacji i dodatkowych wtyczek.
Uklad dziala w nastepujacy sposob: modul sterujacy silnikiem (J248 - Diesel direct injection control unit) steruje za pomoca podania masy 2 przekazniki, sterowanie przekaznikow jest zasilone z bezpiecznika 43 (S243 - Fuse in fuse box 10A). Pierwszy przekaznik (J359 - Low heat output relay) obsluguje 1 swiece, drugi przekaznik (J360 - High heat output relay) obsluguje rownolegle swiece 2 i 3. Zasilanie swiec poprzez przekaznik (styki zwierne) jest podlaczone bezposrednio do bezpiecznika nr 1 w skrzynce akumulatora 50A (S162 - Fuse -1-, in battery fuse box). Zatem sprawdz bezpieczniki w skrzynce akumulatora i w skrzynce bezp., oraz przekazniki sterujace.
Pozdrawiam Axee® LCT


Anna Wiktoria * 05-10-2017 + 17-04-2018
Zobacz Profil
Avatar użytkownika
Axee
Moderator LC Team
Moderator LC Team
 
Posty: 4085
Dołączył(a): 30 stycznia 2008, 14:21
Lokalizacja: Gliwice
Region: śląskie
Auto: FR
Silnik: BMN 2.0

Re: [TDI VP] Podgrzewanie silnika, ktoś ma coś takiego?? Pomocy?

Postprzez Matejko69 » 8 grudnia 2008, 16:52

sa 2 rodzaje tych grzalek - pierwsza - montowana w blok silnika w otwor technologiczny (tzw. brok) i druga w uklad chlodzenia
pierwsza jest bardziej wydajna i mniej kosztowna(slabsza grzalka - mniejsze zuzycie pradu, aby osiagnac to samo co przy drugiej)

tobie brakuje przewodu - gniazdko 230v - dogrzewacz
http://www.sklep.unipower.pl/ - jakcos tutaj masz jakies informacje na ten temat
Mateusz <Matejko69>
Mitsubishi Galant
Calish4nia
Zobacz Profil
Avatar użytkownika
Matejko69
Signo
Signo
 
Posty: 105
Dołączył(a): 17 września 2008, 10:58
Lokalizacja: Kalisz
Auto: V40 i leon

Re: [TDI VP] Podgrzewanie silnika, ktoś ma coś takiego?? Pomocy?

Postprzez Axee » 8 grudnia 2008, 17:26

Matejko69 napisał(a):sa 2 rodzaje tych grzalek - pierwsza - montowana w blok silnika w otwor technologiczny (tzw. brok) i druga w uklad chlodzenia
pierwsza jest bardziej wydajna i mniej kosztowna(slabsza grzalka - mniejsze zuzycie pradu, aby osiagnac to samo co przy drugiej)


Te 3 swiece wygladaja na standardowe wyposazenie z wersji z dogrzewaniem silnika, a one sa na 12V. Pierw nalezy dobrze sprawdzic instalacje po kolei, a dopiero potem podlaczac w szczegolnosci 230V !! Byc moze ktos to przerobil, ale warto sprawdzic.

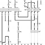
Tu jest schemat standartowej instalacji:
Obrazek
Po krotce, jak powyzej pisalem:
z zespolu przekaznikow 3/86 i 4/86 do +12v bezpiecznik 43, 1/30 i 2/30 do +12v bezpiecznik przy akumulatorze 50A, 4/85 i 5/85 do modulu silnika, 2/87 do dwoch swiec zarowych, 8/87 do jednej swiecy zarowej.
Pozdrawiam Axee® LCT


Anna Wiktoria * 05-10-2017 + 17-04-2018
Zobacz Profil
Avatar użytkownika
Axee
Moderator LC Team
Moderator LC Team
 
Posty: 4085
Dołączył(a): 30 stycznia 2008, 14:21
Lokalizacja: Gliwice
Region: śląskie
Auto: FR
Silnik: BMN 2.0

Re: [TDI VP] Podgrzewanie silnika, ktoś ma coś takiego?? Pomocy?

Postprzez Pycz » 9 grudnia 2008, 13:18

Ok dzięki pomoc ale jak w laikowski sposób można sprawdzić czy to jest 12v czy 220 ??:/

A we wtyczce jaki bolec odpowiada jakim wartością ?? "+", "-", "0"
Zobacz Profil
Pycz
Stella
Stella
 
Posty: 5
Dołączył(a): 27 października 2008, 23:29
Lokalizacja: Oświęcim
Auto: Seat Leon

Re: [TDI VP] Podgrzewanie silnika, ktoś ma coś takiego?? Pomocy?

Postprzez rosek11 » 11 grudnia 2008, 18:50

Kolego zapewne Twoje autko jest to wersja skandynawska. Mialem to samo w pasku B5, Jest to ogrzewanie silnika, powiniem byc do tego przewód ktory sie podpina pod 220V
Zobacz Profil
rosek11
Stella
Stella
 
Posty: 10
Dołączył(a): 8 grudnia 2008, 15:51
Lokalizacja: Przeworsk
Auto: Leon ARL
Silnik: TDI pompowtryski PD

Re: [TDI VP] Podgrzewanie silnika, ktoś ma coś takiego?? Pomocy?

Postprzez Pycz » 11 grudnia 2008, 19:55

Przewody są ale koszt takiego 3metrowego to +/- 140zł :/ Dlatego sie pytałem jak wartość jest na którym bolcu. Wtyczke by sie jakkolwiek dorobiło.
Zobacz Profil
Pycz
Stella
Stella
 
Posty: 5
Dołączył(a): 27 października 2008, 23:29
Lokalizacja: Oświęcim
Auto: Seat Leon


Powrót do Leon 1 - Techniczne Diesel

Kto przegląda forum

Użytkownicy przeglądający ten dział: Brak zidentyfikowanych użytkowników i 4 gości